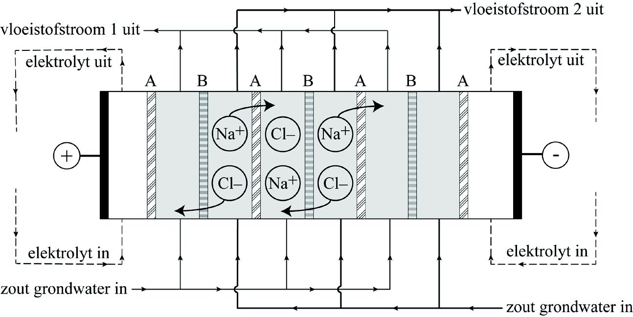
Voor het verbouwen van gewassen zoals rijst is veel water nodig. Grondwater bevat vaak te veel opgeloste zouten om het water voor gewasteelt te kunnen gebruiken. Deze zouten moeten worden verwijderd. Hierna wordt het water 'zoet water' genoemd. Destillatie van grote hoeveelheden grondwater kost veel energie en is duur. Een mogelijk alternatief is elektrodialyse. Bij elektrodialyse stroomt zout grondwater door een opstelling met membranen waarover een spanning is aangelegd (figuur 1). De benodigde elektrische energie wordt met behulp van zonlicht opgewekt.

In figuur 1 is weergegeven hoe zout grondwater van onderaf een opstelling met zes compartimenten binnenstroomt. Na inschakelen van de spanningsbron kunnen de ionen die in het zoute water aanwezig zijn zich door een membraan verplaatsen. Membraan A laat uitsluitend positieve ionen door en membraan B uitsluitend negatieve ionen. Doordat de membranen A en B afwisselend zijn geplaatst, vindt in sommige compartimenten een verwijdering van ionen plaats en in andere compartimenten een toename van de concentratie van ionen. Er stromen dus twee vloeistoffen uit de opstelling: zoet water en zeer zout water.

