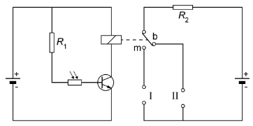
Bram bouwt een schakeling met een LDR.

Bram sluit de LDR en twee multimeters aan op een batterij. Met de ene multimeter meet hij de spanning over de LDR en met de andere meet hij de stroomsterkte door de LDR. Met deze gegevens berekent hij de weerstand van de LDR.




