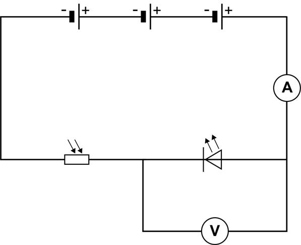
Tijdens een natuurkundeles maakt Samia een lichtgevoelige schakeling.
Ze schakelt drie batterijen van elk$1{,}5 \mathrm{~V}in serie met een led en een LDR.
Je ziet een afbeelding van haar opstelling.

Samia meet vervolgens de spanning over de led en de stroomsterkte door de led.


