Nicole heeft bij de voordeur een sleutelkastje met een codeslot. In het donker is de code lastig in te stellen. Daarom ontwerpt ze een schakeling met een variabele weerstand, een lampje en een schakelaar.


Nicole heeft bij de voordeur een sleutelkastje met een codeslot. In het donker is de code lastig in te stellen. Daarom ontwerpt ze een schakeling met een variabele weerstand, een lampje en een schakelaar.

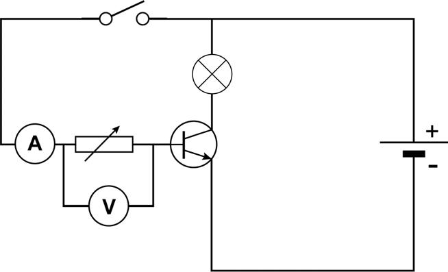
De variabele weerstand is zo ingesteld dat het lampje gaat branden als de schakelaar wordt gesloten. Nicole meet de stroom door en de spanning over de variabele weerstand. In de uitwerkbijlage staat een deel van de schakeling. → Maak het schema compleet met stroom- en spanningsmeter.
Op deze pagina behandelen we vraag 39 van het centraal examen nask1 vmbo 2021 – tijdvak 3. Deze vraag is onderdeel van Licht bij de voordeur, en is 3 punten waard.
Je kunt hier zelf het antwoord invullen en vervolgens direct de uitwerking en uitleg bekijken.
Daarnaast kun je: